步進電機減速器產品技術參數
步進電機減速器是一種運用廣泛的減速設備,主要驅動結構由步進電機(驅動源)、齒輪箱(減速器)組裝而成,具備減速、驅動效果;兆威機電專注于研發、設計、制造步進電機減速器,輸出功率在50W以下,額定電壓在24V以下,直徑規格在38mm以下的小功率微型步進電機減速器產品,開按照客戶需求定制開發服務。
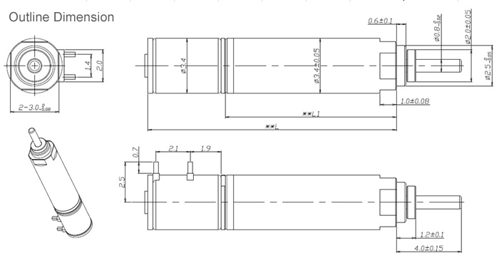
步進電機減速器產品技術參數:
產品分類:步進減速電機
產品型號:ZWBMD003003
產品規格:Φ3.4MM產品
電 壓:3.0V
空載電流:220 mA (可定制)
負載轉速:2.4-300 rpm(可定制)
減速比:5/25/125/625:1(可定制)
輸出功率:0.5W-1W
回轉精度:可定制
齒輪類型:可選擇直齒輪、斜齒輪
驅動噪音:低靜音
驅動電機:步進電機
金屬驅動軸:可定制D型軸、圓形軸、雙扁軸、六邊形軸、五邊形軸、方形軸
產品特點:規格小、噪音低、精度高、壽命長
產品應用:自動機械驅動、機器人指關節驅動、手機攝像頭、攝影等。

步進電機減速器用途:
步進電機減速器廣泛運用在智能家居、機器人驅動、工業自動設備、精密儀表儀器、光學設備、電子產品等領域。
>>>點擊“步進電機應用”查看更多應用案例!
生產廠家
深圳市兆威機電股份有限公司成立于2001年4月是一家研發、生產齒輪驅動機構產品的企業,為客戶提供齒輪箱、減速器驅動方案設計、零件模具設計和制造、零件生產和集成裝配的定制開發服務。




















